口徑規格 : | DN15~1200,NPS1''~28'' |
壓力范圍 : | PN1.6~48Mpa,Class150~2500lb |
機體材料 : | Q325A |
閥門類型 : | 閘閥、球閥、截止閥、止回閥 |
驅動操作 : | 液壓驅動、PLC電腦控制、按鈕控制 |
連接方式 : | 焊接式、法蘭式、卡套式 |
榮獲證書 : | 新產品、國家專利等 |
一、概述
JWT型頂壓式閥門試驗臺是我公司在多年生產閥門檢測設備經驗的基礎上自主研發的新一代頂壓式閥門測試臺并擁有國家技術專利知識產權,專利號ZL2016 1 0240324.1.專為解決閥門制造廠、閥門使用等單位對無法蘭式<J61、J63、Z61>等閥門和法蘭式各種類閥門能在一機上進行檢測試驗的要求,按照《通用閥門的壓力試驗》和《閥門的試驗與檢測》的標準規范要求。本機集液壓、機電、試壓及液體介質貯存循環使用于一體,具有結構合理、功能完善、操作方便等特點,廣泛用于公稱通徑DNl5-800mm各類高中低壓閥門的強度和密封。性能試驗。最高密封試驗壓力32.0MPa,強度試驗48.0MPa。本設備廣泛用于閥門制造業和石油、石化、核電、化工等使用、閥門維修部門等單位的一種先進理想的閥門檢測設備,主要用于閥門強度試驗和閥門密封試驗。
二、工作原理及結構
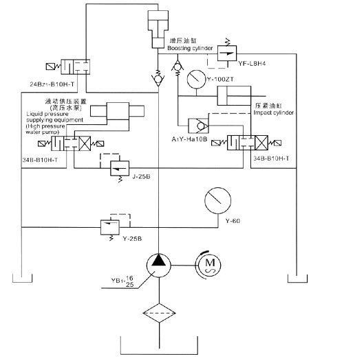
JWT型液壓焊接閥試驗臺集液壓,機械、電器、液動供水泵于一體,采用液壓油缸壓緊。對被試閥門進行性能試驗。液壓系統是本測試臺的動力主源,用于液壓油缸驅動和液供水泵的功能執行。液壓油缸壓緊工作壓力是按閥門試驗壓力等級不同進行調節增壓(最高液壓增壓壓力31.5MPa)。壓緊可靠功能滿足通徑大小和壓力等給不同閥門的測試。液動供水泵裝置有微壓和高中壓二檔,依照本測試操作順序,在電器和減壓調節閥門的控制下,進行閥門介質壓力試驗,供水泵壓力范圍0.4-48.0MPa,供壓介質防銹水或油液。本測試臺底部設置貯存水箱,確保液體介質循環使用。
三、 使用注意事項和要求
一、設備安裝:校好設備安置水平,或用混凝土固定腳螺栓。
二、選用30 — 40#液壓油或20#機械油注入油箱、油量不能低于油位計下限。
三、確保對被試閥門不會腐蝕及本機供壓介質要求的需要。本機貯水箱液體介質為防銹水或油液,按使用量情況放入貯存水箱。
四、接通電源,按油泵起動,檢查電機轉動方向是否正確(順時針方向),調節油泵壓力在5 0MPa進行試機,檢查各管路有無泄漏,發現不良現象應立即進行檢修。
五、測試閥門時,首先根據被試閥門試驗要求參照《壓緊油缸所需壓力對照表》進行試驗壓力增壓調節。嚴禁增壓超高壓工作。防止被試閥門變形損壞。
六、液動供壓泵工作之前,先將減壓調節閥調設在相應使用壓力位置上,然后進行介質壓力工作。
七、貯水箱液體試驗介質,要定期更換,對新啟用的防銹水或油在使用1個月左右應清洗貯水箱,同時更換防銹水,以后三個月或半年更換一次。八、油箱和濾油器要定期清洗,油箱油液要定期更換油液溫度不能超過55~C。
九、測試臺拉桿表面和活動處,要經常加油,保持潤滑使用。
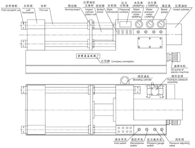
四、 外觀示意圖

五、 使用操作方法
一、被試閥門裝夾:
根據被試閥門通徑大小,先調整好被試閥門定位架并點動工件壓緊按鈕,將移動檔板進到被試閥門試壓的相應位置邊旁,再將被試閥門放置在定位架上,然后點動將工件壓緊。
二、壓緊增壓:
根據被試閥門公稱通徑和公稱壓力,調節電接點壓力表和被試閥門壓力相同。參照《壓緊油缸所需壓力對照表》將壓緊油缸壓力增壓到所需壓力要求。 (注:增壓按鈕可要多次點動,每次按動相隔時間需在5-10秒鐘左右)。
三、液體介質施壓:
按被試閥門試驗壓力要求,首先參照《液動供壓壓力對照表》將減壓調節閥調設在所需工作供壓的位置上。打開進水閥門開關。 (檢查進氣閥門開關是否關閉)先將低壓泵開始進水并達到低壓要求,再按水泵起動鈕,進行液動供壓到所需壓力時自動停IE。
四、試驗完畢泄壓:
閥門測試完成時,先關閉進水閥門開關,開啟泄壓閥門開關,將施壓介質壓力排放完畢以后,點動工作放松按鈕,卸下被試閥門。按照上述程序再測試另一閥門。
五、氣介質試驗:
將氣源接入進氣口上,關閉水管路上的閥門開關,開啟進氣閥門開關,準備操作要求,即可進行氣介質性能試驗。
六、JMT型液壓系統原理圖

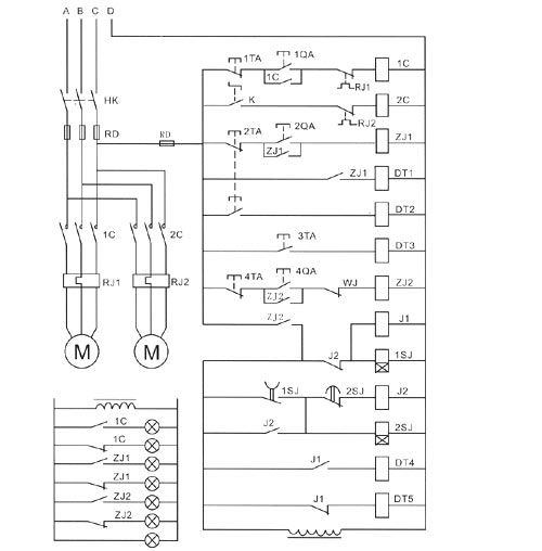
七JWT型電器系統原理圖

八、JWT水管路原理圖









十、JWT型壓力對照表






